首页
品牌中心
企业简介
企业荣誉
产品中心
产品
工程中心
著名工程
市政交通工程
城市地表工程
经典市政工程
公司新讯
公司公告
公司资讯
联系方式
业务范围
新概念变形缝防水系统
建筑工程“医院”
新概念桥梁伸缩缝
装配式建筑密封系统
品牌中心
企业简介
企业荣誉
产品中心
产品
工程中心
著名工程
市政交通工程
城市地表工程
经典市政工程
公司新讯
公司公告
公司资讯
联系方式
业务范围
新概念变形缝防水系统
建筑工程“医院”
新概念桥梁伸缩缝
装配式建筑密封系统
首页
>
产品中心
>
产品
产品中心
产品
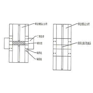
可定位橡胶止水带
MORE
>
浇筑橡胶止水带损害快速修复技术
MORE
>
柔性一体化接水盒
MORE
>
三组份高分子柔性密封材料
MORE
>
变形缝一体化防水密封技术
MORE
>
钢板止水带快速接头与橡胶止水带十字快速接头
MORE
>
钢板止水带快速接头
MORE
>
止水带快速接头
MORE
>
新型橡胶止水带
MORE
>
高弹止水带
MORE
>
新一代桥梁伸缩缝装置免维护防水技术
MORE
>
品牌
产品
工程
新闻
快速帮助入口
产品
自助查看产品一键搞定。
一键查看产品
河北鲸创新材料科技有限公司
500位专家为您提供7x24小时服务。
接通在线服务
或拨打
400-00-000